 |
 |
|
 |
 |
Приводная техника

Вся продукция сертифицирована. Мы будем рады видеть Вас клиентом нашей компании.

|
|
 |
 |
 |
Мотор-редуктор червячный одноступенчатый МЧ100, МЧ125, МЧ160. Город Воронеж |
|
 |
 |
Мотор-редуктор червячный одноступенчатый МЧ100, МЧ125, МЧ160
Техническое описание
Червячные мотор-редукторы МЧ100, МЧ125, МЧ160 служат в качестве понижающего привода в различных промышленных устройствах. Эти изделия обладают высокими силовыми показателями и позволяют получать низкие обороты. Червячная пара входящая в состав мотор-редуктора бесшумно преобразовывает поданную энергию от электродвигателя до необходимых значений. Частота вращения выходного вала зависит от передаточного отношения и количества полюсов мотора.
Условия применения мотор-редукторов МЧ100, МЧ125, МЧ160:
-
Нагрузка постоянная и переменная (в пределах номинального крутящего момента);
-
Вращение выходного вала в любую сторону без предпочтительности;
-
Климатические исполнения У3 и Т2 по ГОСТ 15150-69 при работе на высоте над уровнем моря до 1000м, допускается работа мотор-редуктора на высоте более 1000м над уровнем моря при соблюдении требований ГОСТ 183-74;
-
Внешняя среда – неагрессивная, невзрывоопасная, с содержанием непроводящей пыли до 10 мг/м3;
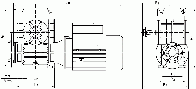
Габаритные и присоединительные размеры

РИС.1А
Габаритные и присоединительные размеры.

РИС.1Б
Габаритные и присоединительные размеры.
ТИПОРАЗМЕР |
H2 |
H3 |
H4 |
L1 |
L2 |
В1 |
В2 |
В3 |
В4 |
d |
МЧ-100 |
312 |
100 |
100 |
240 |
200 |
140 |
175 |
357 |
225 |
19 |
МЧ-125 |
396 |
111 |
125 |
275 |
230 |
190 |
230 |
390 |
230 |
19 |
1МЧ-160 |
465 |
140 |
160 |
350 |
300 |
230 |
280 |
441 |
280 |
22 |
ТАБ.1А
Габаритные и присоединительные размеры.
ТИПОРАЗМЕР |
L3 |
H1 |
эл./дв. |
АИР90 |
АИР100 |
АИР112 |
АИР132 |
АИР90 |
АИР100 |
АИР112 |
АИР132 |
МЧ-100 |
585 |
600 |
- |
- |
337 |
337 |
- |
- |
МЧ-125 |
665 |
680 |
750 |
- |
410 |
410 |
435 |
- |
1МЧ-160 |
- |
760 |
805 |
835 |
- |
465 |
475 |
500 |
ТАБ.1Б
Габаритные и присоединительные размеры.

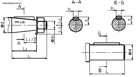
РИС.2А
Исполнения выходного вала.

РИС.2Б
Исполнения выходного вала.
ТИП |
ВЫХДНЫЕ КОНЦЫ ВАЛОВ |
L |
L1 |
L2 |
L3 |
b |
d |
d1 |
t |
m |
МЧ-100 |
Конический |
110 |
82 |
32 |
25 |
12 |
45 |
М30х2- 8g |
23,45 |
- |
МЧ-125 |
110 |
82 |
38 |
30 |
14 |
55 |
М36х3 -8g |
28,95 |
- |
1МЧ-160 |
140 |
105 |
50 |
40 |
18 |
70 |
М48х3- 8g |
36,38 |
- |
МЧ-100 |
Цилиндрический |
110 |
- |
- |
- |
14 |
45 |
- |
48,5 |
- |
МЧ-125 |
110 |
- |
- |
- |
16 |
55 |
- |
59 |
- |
1МЧ-160 |
140 |
- |
- |
- |
20 |
70 |
- |
74,5 |
- |
МЧ-100 |
Вал полый шлицевой |
205 |
90 |
57,5 |
- |
- |
45 |
46 |
- |
2 |
МЧ-125 |
230 |
110 |
60 |
- |
- |
55 |
60 |
- |
2,5 |
1МЧ-160 |
275 |
130 |
72,5 |
- |
- |
70 |
72 |
- |
2,5 |
ТАБ.2
Исполнения выходного вала.
Варианты сборки

РИС.3
Варианты сборки мотор-редуктора.
ТЕХНИЧЕСКИЕ ХАРАКТЕРИСТИКИ
Номинальная частота вращения выходного вала об/мин |
Допускаемая радиальная консольная нагрузка, приложенная к середине посадочной части конца выходного вала, Н |
Номинальный крутящий момент на выходном валу
Н х м |
КПД, % в непрерыв-ном режиме с ПВ 100%, не менее |
Типо-размер двигателя серии АИР |
Мощность двигателя, кВт |
Корректи-рованный уровень звуковой мощности, дБА, не более |
Масса мотор-редуктора кГ, не более |
Мотор-редуктор МЧ-100 |
180 |
5500 |
270 |
93 |
112М4 |
5,5 |
80 |
100 |
140 |
350 |
93 |
112М4 |
5,5 |
100 |
112 |
430 |
92 |
112М4 |
5,5 |
100 |
90 |
380 |
89 |
100L4 |
4,0 |
90 |
71 |
350 |
87 |
100S4 |
3,0 |
84 |
56 |
440 |
87 |
100S4 |
3,0 |
84 |
45 |
445 |
70 |
100S4 |
3,0 |
84 |
35,5 |
460 |
78 |
90L4 |
2,2 |
77 |
28 |
580 |
77 |
90L4 |
2,2 |
77 |
22,4 |
472 |
69 |
90L6 |
1,5 |
77 |
18 |
580 |
69 |
90L6 |
1,5 |
77 |
14 |
625 |
61 |
90L6 |
1,5 |
77 |
11,4 |
401 |
58 |
90LА8 |
0,75 |
77 |
8,2 |
506 |
58 |
90LА8 |
0,75 |
77 |
Мотор-редуктор МЧ-125 |
180 |
8000 |
270 |
93 |
112М4 |
5,5 |
80 |
131 |
140 |
350 |
93 |
112М4 |
5,5 |
131 |
112 |
430 |
92 |
112М4 |
5,5 |
131 |
90 |
520 |
89 |
112М4 |
5,5 |
131 |
71 |
650 |
88 |
112М4 |
5,5 |
131 |
56 |
595 |
87 |
100L4 |
4,0 |
121 |
45 |
690 |
81 |
100L4 |
4,0 |
121 |
35,5 |
640 |
79 |
100S4 |
3,0 |
115 |
28 |
580 |
77 |
90L4 |
2,2 |
108 |
22,4 |
715 |
76 |
90L4 |
2,2 |
108 |
18 |
805 |
69 |
90L4 |
2,2 |
108 |
14 |
695 |
71 |
90L6 |
1,5 |
108 |
11,4 |
766 |
68 |
90L6 |
1,5 |
108 |
8,2 |
760 |
60 |
90LВ8 |
1,1 |
108 |
Мотор-редуктор 1МЧ-160 |
180 |
11000 |
550 |
94 |
132М4 |
11,0 |
80 |
204 |
140 |
700 |
93 |
132М4 |
11,0 |
204 |
112 |
870 |
93 |
132М4 |
11,0 |
204 |
90 |
1060 |
91 |
132М4 |
11,0 |
204 |
71 |
1300 |
88 |
132М4 |
11,0 |
204 |
56 |
1630 |
87 |
132М4 |
11,0 |
204 |
45 |
1935 |
83 |
132М4 |
11,0 |
204 |
35,5 |
1615 |
79 |
132S4 |
7,5 |
204 |
28 |
1916 |
73 |
132S4 |
7,5 |
190 |
22,4 |
1663 |
74 |
112М4 |
5,5 |
163 |
18 |
2069 |
74 |
112М4 |
5,5 |
163 |
14 |
1880 |
70 |
112МВ6 |
4,0 |
163 |
11,4 |
1763 |
66 |
112МА6 |
3,0 |
160 |
8,2 |
1638 |
66 |
112МА8 |
2,2 |
160 |
ПРИМЕР УСЛОВНОГО ОБОЗНАЧЕНИЯ В ЗАКАЗЕ:
Мотор-редуктор МЧ–125–71–51-У3, ТУ УЗ.26-00224828-342-97, что означает:
МЧ – тип мотор-редуктора;
125 – межосевое расстояние, мм;
71 – номинальная частота вращения выходного вала, об/мин;
51 – вариант сборки по ГОСТ 20373-80;
У3 – климатическое исполнение и категория размещения по ГОСТ 15150-69;
Приводная техника (мотор-редукторы, преобразователи частоты и устройства плавного пуска) отправляется покупателю транспортной компанией. По всем вопросам обращаться в офис.
Мы всегда рады видеть у себя наших старых партнеров и ждем новых.
Доставка во все регионы России!
|
 |
 |
|
|