 |
 |
|
 |
 |
Приводная техника

Вся продукция сертифицирована. Мы будем рады видеть Вас клиентом нашей компании.

|
|
 |
 |
 |
Мотор-редукторы цилиндрические 4МЦ2С, 4МЦ2С-63, 4МЦ2С-80, 4МЦ2С-100, 4МЦ2С-125 |
|
 |
 |
Мотор-редукторы цилиндрические 4МЦ2С, 4МЦ2С-63, 4МЦ2С-80, 4МЦ2С-100, 4МЦ2С-125
Описание:
Цилиндрические мотор-редукторы 4МЦ2С – это устройства, проверенные временем. Их можно встретить практически в любом станке, где они безотказно работают долгие годы. Устройства комплектуются двигателями переменного тока мощностью от 0,55 до 45 кВт. На сегодняшний день наиболее востребованы пять типоразмеров 4МЦ2С, 4МЦ2С-63, 4МЦ2С-80, 4МЦ2С-100, 4МЦ2С-125. Для удобства монтажа на редукторе имеются крепежные лапы, а также опорный фланец.
1. Мотор-редуктор 4МЦ2С-63 - (цилиндрический соосный двухступенчатый), мощность: от 0,37 до 3,0 кВт, диапазон выходных оборотов 22 до 400 об/мин, крутящий момент от 15 до 200 Нм.
2. Мотор-редуктор 4МЦ2С-80 - (цилиндрический соосный двухступенчатый), мощность: от 0,55 до 5,5 кВт, диапазон выходных оборотов 22 до 400 об/мин, крутящий момент от 80 до 400 Нм.
3. Мотор-редуктор 4МЦ2С-100 - (цилиндрический соосный двухступенчатый), мощность: от 1,5 до 7,5 кВт, диапазон выходных оборотов 22 до 355 об/мин, крутящий момент от 200 до 800 Нм.
4. Мотор-редуктор 4МЦ2С-125 - (цилиндрический соосный двухступенчатый), мощность: от 2,2 до 18,5 кВт, диапазон выходных оборотов 22 до 400 об/мин, крутящий момент от 250 до 1400 Нм.
5. Мотор-редуктор 4МЦ2С-140 - (цилиндрический соосный двухступенчатый), мощность: от 5,5 до 30,0 кВт, диапазон выходных оборотов 28 до 180 об/мин, крутящий момент от 1000 до 2100 Нм.
6. Мотор-редуктор 4МЦ2С-160 - (цилиндрический соосный двухступенчатый), мощность: от 7,5 до 45,0 кВт, диапазон выходных оборотов 28 до 400 об/мин, крутящий момент от 1100 до 3200 Нм.
Эксплуатация мотор-редуктора 4МЦ2С в подъемных механизмах ЗАПРЕЩЕНА.
Устройство мотор-редуктора:
Конструкция мотор-редуктора состоит из цилиндрического соосного редуктора и электродвигателя. Мотор-редуктор может устанавливаться на изделие с помощью лап или фланца. В состав редуктора входит цилиндрическая передача из двух ступеней. Передаточное отношение редуктора зависит от размера и зубчатых колес и их количества. Система смазки позволяет непрерывно смазывать поверхности зубьев передач специальным маслом. На редукторе имеется контрольное окошечко для поддержания необходимого уровня масла. Для устранения избыточного давления и протечек имеется сапун.
Особенности работы цилиндрических мотор-редукторов
-
Высокое качество: от конструкции до сборки
-
Повышенная плавность хода и бесшумность работы
-
Типоразмеры 4МЦ2С-63, 4МЦ2С-80, 4МЦ2С-100, 4МЦ2С-125, 4МЦ2С-140, 4МЦ2С-160
-
Выходные валы изготовлены из высокопрочной стали
-
Высококачественные подшипники
-
Используются графитовые прокладки и сальники
-
Соответствие продукта Европейским стандартам: возможность работы в разном климате, износостойкость
-
Продолжительный режим работы до 24 ч/сут.
Мотор-редукторы серии 4МЦ2С - габаритные и присоеденительные размеры – исполнение на лапах

Мотор-редукторы серии 4МЦ2С – фланцевое исполнение

4МЦ2С |
Тип электродвигателя |
L |
H |
В |
h1 |
A |
A1 |
E |
G |
d |
h |
К |
63 |
63B2 |
315 |
255 |
185 |
140±0,5 |
110±0,55 |
150±0,55 |
48 |
15 |
12 |
16 |
160 |
71В6;71В4 |
487 |
71А4; 71А2; 71В2 |
80В8; 80В6; 80В4; 80В2 |
517 |
265 |
80А6; 80А4 |
493 |
80A2 |
278 |
90L2; 90L4 |
538 |
275 |
200 |
80 |
90LA8; 90LB8;90L6; 90L4 |
590 |
305 |
225 |
170±0,5 |
115±0,7 |
180±0,7 |
75 |
22 |
15 |
18 |
175 |
100L6; 100L4; 100L2 |
635 |
317 |
100S4; 100S2 |
602 |
100 |
100L8; 100L6; 100L4 |
675 |
380 |
270 |
212±0,5 |
130±1 |
210±1 |
270 |
350 |
14 |
22 |
195 |
112МА6; 112М4; 112М2 |
695 |
400 |
280 |
100S4 |
645 |
380 |
270 |
125 |
112МА6; 112МВ6; 112М4 |
738 |
480 |
335 |
265±1 |
160±0,7 |
280±0,7 |
105 |
25 |
19 |
28 |
235 |
132S6; 132S4; 132M6 |
765 |
132М4 |
814 |
132М2 |
|
350 |
160S4 |
870 |
520 |
335. 350 |
160М4 |
910 |
160S2; 160М2 |
870 |
Габаритные и присоединительные размеры для исполнения на лапах.
4МЦ2С |
Тип электродвигателя |
L |
H |
В |
h1 |
A |
С |
R |
P |
d |
h |
К |
S |
63 |
63В2 |
315 |
255 |
185 |
140 |
130js |
185 |
200 |
240 |
11 |
12 |
150 |
65 |
71В6; 71В4 |
487 |
71А4:71А2:71В2 |
80В8; 80В6; 80В4; 80B2 |
517 |
265 |
80А6; 80А4 |
473 |
200 |
80А2 |
493 |
90L2 |
538 |
275 |
80 |
90LA8; 90LB8; 90L6; 90L4 |
590 |
305 |
250 |
170 |
180JS |
240 |
250 |
293 |
14 |
14 |
170 |
85 |
100L6; 100L4; 100L2 |
635 |
317 |
100S4; 100S2 |
602 |
317 |
100 |
100L8; 100L6; 100L4 |
675 |
380 |
270 |
212 |
230JS |
275 |
270 |
350 |
14 |
14 |
190 |
115 |
112МА6; 112М4; 112М2 |
695 |
400 |
280 |
100S4 |
645 |
380 |
270 |
125 |
112МА6; 112МВ6; 112М4 |
738 |
480 |
360 |
260 |
300js |
350 |
360 |
440 |
18 |
20 |
235 |
115 |
132S6; 132S4; 132M6 |
765 |
480 |
132М4 |
814 |
480 |
132М2 |
477 |
160S4; 160S2; 160M2 |
870 |
520 |
160М4 |
910 |
Габаритные и присоединительные размеры для фланцевого исполнения.
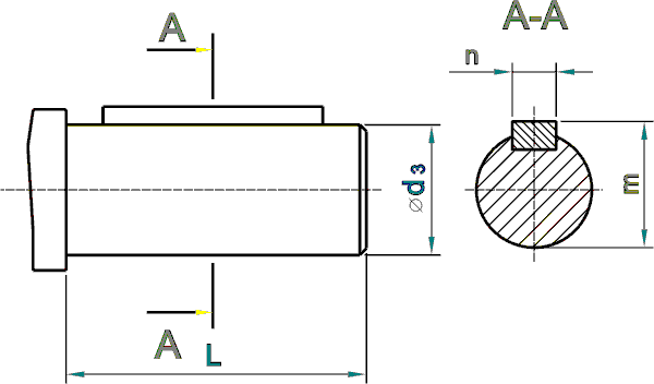
ВАРИАНТЫ ИСПОЛНЕНИЯ ВЫХОДНОГО ВАЛА МОТОР-РЕДУКТОРА.

РИС 3.
Конический выходной вал.

Цилиндрический выходной вал.
Размеры выходного
вала мотор-редуктора.
4МЦ2С |
d1 |
d2 |
d3 |
L |
L1 |
b |
t |
n |
m |
63 |
28 |
M16x1,5-8g |
28k6 |
60 |
42 |
5 |
14,9 |
8 |
31 |
80 |
35 |
М20х1,5-8g |
35k6 |
80 |
58 |
6 |
18,5 |
10 |
38 |
100 |
45 |
М30х2-8g |
45k6 |
110 |
82 |
12 |
23,45 |
14 |
48,5 |
125 |
55 |
МЗ6х3-8g |
55k6 |
110 |
82 |
14 |
28,9 |
16 |
59 |
Монтажное исполнение.

ТЕХНИЧЕСКИЕ ХАРАКТЕРИСТИКИ:
Мощность
электродвигателя |
Номинальная
частота
вращения
выходного
вала, об/мин. |
Типоразмер
мотор–редуктора |
Номинальная радиальная
консольная нагрузка,
приложенная в середине
посадочной части
выходного вала,Н |
Тип
электродвигателя |
Масса без
смазки, кг. |
0,55 |
28 |
4МЦ2С- 63 |
3300 |
71В6 |
24 |
35,5 |
4МЦ2С-63 |
3000 |
71В6 |
24 |
40 |
4МЦ2С-63 |
3200 |
71В6 |
24 |
45 |
4МЦ2С-63 |
2600 |
71В6 |
24 |
50 |
4МЦ2С-63 |
2500 |
71В6 |
24 |
56 |
4МЦ2С-63 |
2400 |
71A4 |
24 |
63 |
4МЦ2С-63 |
2200 |
71A4 |
24 |
71 |
4МЦ2С-63 |
2100 |
71A4 |
24 |
80 |
4МЦ2С-63 |
2000 |
71A4 |
24 |
90 |
4МЦ2С-63 |
1800 |
71A4 |
24 |
100 |
4МЦ2С-63 |
1800 |
71A4 |
24 |
112 |
4МЦ2С-63 |
1700 |
71A4 |
24 |
125 |
4МЦ2С-63 |
1600 |
71A4 |
24 |
140 |
4МЦ2С-63 |
1500 |
71A4 |
24 |
160 |
4МЦ2С-63 |
1400 |
63B2 |
15,5 |
180 |
4МЦ2С-63 |
1300 |
63B2 |
15,5 |
200 |
4МЦ2С-63 |
1200 |
63B2 |
15,5 |
224 |
4МЦ2С-63 |
1100 |
63B2 |
15,5 |
250 |
4МЦ2С-63 |
1000 |
63B2 |
15,5 |
280 |
4МЦ2С-63 |
1000 |
63B2 |
15,5 |
315 |
4МЦ2С-63 |
1000 |
63B2 |
15,5 |
355 |
4МЦ2С-63 |
950 |
63B2 |
15,5 |
400 |
4МЦ2С-63 |
850 |
63B2 |
15,5 |
0,75 |
28 |
4МЦ2С-80 |
4000 |
90LА8 |
36 |
31,5 |
4МЦ2С-80 |
3700 |
90LА8 |
36 |
35,5 |
4МЦ2С-63 |
3500 |
80А6 |
24 |
40 |
4МЦ2С-63 |
2800 |
80А6 |
24 |
45 |
4МЦ2С-63 |
3100 |
80А6 |
24 |
50 |
4МЦ2С-63 |
3000 |
80А6 |
24 |
0,75 |
56 |
4МЦ2С-63 |
3000 |
71В4 |
24 |
63 |
4МЦ2С-63 |
2600 |
71В4 |
24 |
71 |
4МЦ2С-63 |
2600 |
71В4 |
24 |
80 |
4МЦ2С-63 |
2300 |
71В4 |
24 |
90 |
4МЦ2С-63 |
2200 |
71В4 |
24 |
100 |
4МЦ2С-63 |
2100 |
71В4 |
24 |
112 |
4МЦ2С-63 |
2000 |
71В4 |
24 |
125 |
4МЦ2С-63 |
1900 |
71В4 |
24 |
140 |
4МЦ2С-63 |
1800 |
71В4 |
24 |
160 |
4МЦ2С-63 |
1650 |
71А2 |
24 |
180 |
4МЦ2С-63 |
1500 |
71А2 |
24 |
200 |
4МЦ2С-63 |
1400 |
71А2 |
24 |
224 |
4МЦ2С-63 |
1300 |
71А2 |
24 |
250 |
4МЦ2С-63 |
1200 |
71А2 |
24 |
280 |
4МЦ2С-63 |
1200 |
71А2 |
24 |
315 |
4МЦ2С-63 |
1100 |
71А2 |
24 |
355 |
4МЦ2С-63 |
1100 |
71А2 |
24 |
400 |
4МЦ2С-63 |
1000 |
71А2 |
24 |
1,1 |
28 |
4МЦ2С-80 |
4800 |
90LВ8 |
51 |
31,5 |
4МЦ2С-80 |
4500 |
90LB8 |
51 |
35,5 |
4МЦ2С-80 |
4300 |
90LB8 |
51 |
45 |
4МЦ2С-80 |
4000 |
90LB8 |
51 |
50 |
4МЦ2С-63 |
3600 |
80В6 |
32 |
56 |
4МЦ2С-63 |
3400 |
80А4 |
30 |
63 |
4МЦ2С-63 |
3200 |
80А4 |
30 |
71 |
4МЦ2С-63 |
3000 |
80А4 |
30 |
80 |
4МЦ2С-63 |
2800 |
80А4 |
30 |
90 |
4МЦ2С-63 |
2600 |
80А4 |
30 |
100 |
|
2500 |
80А4 |
30 |
112 |
4МЦ2С-63 |
2300 |
80А4 |
30 |
125 |
4МЦ2С-63 |
2300 |
80А4 |
30 |
140 |
4МЦ2С-63 |
2100 |
80А4 |
30 |
160 |
4МЦ2С-63 |
2000 |
71В2 |
24 |
180 |
4МЦ2С-63 |
1800 |
71В2 |
24 |
200 |
4МЦ2С-63 |
1700 |
71В2 |
24 |
224 |
4МЦ2С-63 |
1900 |
71В2 |
24 |
250 |
4МЦ2С-63 |
1600 |
71В2 |
24 |
280 |
4МЦ2С-63 |
1500 |
71В2 |
24 |
315 |
4МЦ2С-63 |
1400 |
71В2 |
24 |
355 |
4МЦ2С-63 |
1300 |
71В2 |
24 |
400 |
4МЦ2С-63 |
1200 |
71В2 |
24 |
1,5 |
28 |
1МЦ2С-100 |
5300 |
90L6 |
85 |
35,5 |
4МЦ2С-80 |
4800 |
90L6 |
51 |
40 |
4МЦ2С-80 |
4600 |
90L6 |
51 |
45 |
4МЦ2С-80 |
4400 |
90L6 |
51 |
50 |
4МЦ2С-80 |
4200 |
90L6 |
51 |
56 |
4МЦ2С-80 |
3900 |
90L6 |
51 |
63 |
4МЦ2С-80 |
3600 |
90L6 |
51 |
71 |
4МЦ2С-80 |
3400 |
90L6 |
51 |
80 |
4МЦ2С-63 |
3300 |
80B4 |
26 |
90 |
4МЦ2С-63 |
3100 |
80B4 |
26 |
1,5 |
100 |
4МЦ2С-63 |
2900 |
80B4 |
26 |
112 |
4МЦ2С-63 |
2400 |
80B4 |
26 |
125 |
4МЦ2С-63 |
2600 |
80B4 |
26 |
140 |
4МЦ2С-63 |
2500 |
80В4 |
26 |
160 |
4МЦ2С-63 |
2300 |
80А2 |
24 |
180 |
4МЦ2С-63 |
2100 |
80А2 |
24 |
200 |
4МЦ2С-63 |
2000 |
80А2 |
24 |
225 |
4МЦ2С-63 |
1900 |
80А2 |
24 |
250 |
4МЦ2С-63 |
1900 |
80А2 |
24 |
280 |
4МЦ2С-63 |
1700 |
80А2 |
24 |
315 |
4МЦ2С-63 |
1600 |
80А2 |
24 |
355 |
4МЦ2С-63 |
1500 |
80А2 |
24 |
400 |
4МЦ2С-63 |
1400 |
80А2 |
24 |
2,2 |
28 |
1МЦ2С-100 |
6400 |
100L6 |
83 |
35,5 |
1МЦ2С-100 |
6300 |
100L6 |
83 |
45 |
1МЦ2С-100 |
5300 |
100L4 |
83 |
50 |
4МЦ2С-80 |
5000 |
100L6 |
49 |
56 |
4МЦ2С-80 |
4800 |
100L6 |
49 |
63 |
4МЦ2С-80 |
4400 |
100L6 |
49 |
71 |
4МЦ2С-80 |
4300 |
90L4 |
44 |
80 |
4МЦ2С-80 |
4000 |
90L4 |
44 |
90 |
4МЦ2С-80 |
3800 |
90L4 |
44 |
100 |
4МЦ2С-80 |
3600 |
90L4 |
44 |
112 |
4МЦ2С-80 |
3400 |
90L4 |
44 |
125 |
4МЦ2С-63 |
3100 |
80B2 |
26 |
140 |
4МЦ2С-63 |
3100 |
80B2 |
26 |
160 |
4МЦ2С-63 |
2800 |
80B2 |
26 |
180 |
4МЦ2С-63 |
2500 |
80B2 |
26 |
200 |
4МЦ2С-63 |
2500 |
80B2 |
26 |
225 |
4МЦ2С-63 |
2400 |
80B2 |
26 |
250 |
4МЦ2С-63 |
2300 |
80B2 |
26 |
280 |
4МЦ2С-63 |
2100 |
80B2 |
26 |
315 |
4МЦ2С-63 |
2000 |
80B2 |
26 |
355 |
4МЦ2С-63 |
1900 |
80B2 |
26 |
400 |
4МЦ2С-63 |
1700 |
80B2 |
26 |
3,0 |
28 |
4МЦ2С-125 |
7700 |
112MA6 |
122 |
31,5 |
4МЦ2С-125 |
7400 |
112MA6 |
122 |
35,5 |
1МЦ2С-100 |
6700 |
112MA6 |
102 |
45 |
1МЦ2С-100 |
6100 |
100S4 |
82 |
56 |
1МЦ2С-100 |
6700 |
100S4 |
82 |
63 |
1МЦ2С-100 |
5200 |
100S4 |
82 |
71 |
4МЦ2С-80 |
5000 |
100S4 |
48 |
80 |
4МЦ2С-80 |
4600 |
100S4 |
48 |
90 |
4МЦ2С-80 |
4200 |
100S4 |
48 |
100 |
4МЦ2С-80 |
4200 |
100S4 |
48 |
112 |
4МЦ2С-80 |
4000 |
100S4 |
48 |
125 |
4МЦ2С-80 |
3800 |
100S4 |
48 |
180 |
4МЦ2С-63 |
3000 |
90L2 |
43 |
200 |
4МЦ2С-63 |
3000 |
90L2 |
43 |
225 |
4МЦ2С-63 |
2700 |
90L2 |
43 |
250 |
4МЦ2С-63 |
2600 |
90L2 |
43 |
3,0 |
280 |
4МЦ2С-63 |
2400 |
90L2 |
43 |
315 |
4МЦ2С-63 |
2300 |
90L2 |
43 |
355 |
4МЦ2С-63 |
2200 |
90L2 |
43 |
400 |
4МЦ2С-63 |
2000 |
90L2 |
43 |
4,0 |
28 |
4МЦ2С-125 |
8800 |
112MB6 |
126 |
31,5 |
4МЦ2С-125 |
8500 |
112MB6 |
126 |
35,5 |
4МЦ2С-125 |
7800 |
112MB6 |
126 |
40 |
4МЦ2С-125 |
7500 |
112MB6 |
126 |
45 |
4МЦ2С-125 |
7000 |
112MB6 |
126 |
50 |
4МЦ2С-125 |
6800 |
112MB6 |
126 |
56 |
1МЦ2С-100 |
6500 |
100L4 |
83 |
63 |
1МЦ2С-100 |
6000 |
100L4 |
83 |
71 |
1МЦ2С-100 |
5800 |
100L4 |
83 |
80 |
1МЦ2С-100 |
5400 |
100L4 |
83 |
90 |
1МЦ2С-100 |
5100 |
100L4 |
83 |
100 |
1МЦ2С-100 |
4900 |
100L4 |
83 |
112 |
4МЦ2С-80 |
4600 |
100L4 |
49 |
125 |
4МЦ2С-80 |
4400 |
100L4 |
49 |
140 |
4МЦ2С-80 |
4000 |
100L4 |
49 |
160 |
4МЦ2С-80 |
3800 |
100S2 |
48 |
180 |
4МЦ2С-80 |
3500 |
100S2 |
48 |
200 |
4МЦ2С-80 |
3400 |
100S2 |
48 |
225 |
4МЦ2С-80 |
3300 |
100S2 |
48 |
250 |
4МЦ2С-80 |
3100 |
100S2 |
48 |
280 |
4МЦ2С-80 |
2800 |
100S2 |
48 |
315 |
4МЦ2С-80 |
2800 |
100S2 |
48 |
355 |
4МЦ2С-80 |
2400 |
100S2 |
48 |
400 |
4МЦ2С-80 |
2400 |
100S2 |
48 |
5,5 |
28 |
4МЦ2С-140 |
|
132М6 |
212 |
31,5 |
4МЦ2С-140 |
|
132М6 |
212 |
35,5 |
4МЦ2С-140 |
|
132М6 |
212 |
40 |
4МЦ2С-125 |
8800 |
132M6 |
166 |
45 |
4МЦ2С-125 |
8400 |
112M4 |
127 |
50 |
4МЦ2С-125 |
8100 |
112M4 |
127 |
56 |
4МЦ2С-125 |
7400 |
132M6 |
166 |
63 |
4МЦ2С-125 |
7300 |
132M6 |
166 |
71 |
1МЦ2С-100 |
6700 |
112M4 |
107 |
80 |
1МЦ2С-100 |
6400 |
112M4 |
107 |
90 |
1МЦ2С-100 |
5900 |
112M4 |
107 |
100 |
1МЦ2С-100 |
5700 |
112M4 |
107 |
112 |
1МЦ2С-100 |
5400 |
112M4 |
107 |
125 |
1МЦ2С-100 |
4800 |
112M4 |
107 |
140 |
4МЦ2С-80 |
4800 |
100L2 |
49 |
160 |
4МЦ2С-80 |
4400 |
100L2 |
49 |
180 |
4МЦ2С-80 |
4200 |
100L2 |
49 |
200 |
4МЦ2С-80 |
4000 |
100L2 |
49 |
225 |
4МЦ2С-80 |
3800 |
100L2 |
49 |
250 |
4МЦ2С-80 |
3600 |
100L2 |
49 |
280 |
4МЦ2С-80 |
3200 |
100L2 |
49 |
315 |
4МЦ2С-80 |
3300 |
100L2 |
49 |
355 |
4МЦ2С-80 |
2900 |
100L2 |
49 |
400 |
4МЦ2С-80 |
2900 |
100L2 |
49 |
7,5 |
28 |
4МЦ2С-160 |
|
132М6 |
290 |
31,5 |
4МЦ2С-160 |
|
132М6 |
290 |
35,5 |
4МЦ2С-140 |
|
132М6 |
212 |
40 |
4МЦ2С-140 |
|
132М6 |
212 |
45 |
4МЦ2С-140 |
|
132М6 |
212 |
50 |
4МЦ2С-140 |
|
132М6 |
212 |
56 |
4МЦ2С-125 |
8700 |
132M4 |
166 |
63 |
4МЦ2С-125 |
8500 |
132M4 |
166 |
71 |
4МЦ2С-125 |
7800 |
132M4 |
166 |
80 |
4МЦ2С-125 |
7500 |
132M4 |
166 |
90 |
4МЦ2С-125 |
7000 |
132M4 |
166 |
100 |
1МЦ2С-100 |
6800 |
112M2 |
108 |
112 |
1МЦ2С-100 |
6300 |
112M2 |
108 |
125 |
1МЦ2С-100 |
5800 |
112M2 |
108 |
140 |
1МЦ2С-100 |
5600 |
112M2 |
108 |
160 |
1МЦ2С-100 |
5200 |
112M2 |
108 |
180 |
1МЦ2С-100 |
4800 |
112M2 |
108 |
200 |
1МЦ2С-100 |
4700 |
112M2 |
108 |
225 |
1МЦ2С-100 |
4400 |
112M2 |
108 |
250 |
4МЦ2С-80 |
4100 |
112М2 |
74 |
280 |
4МЦ2С-80 |
3900 |
112М2 |
74 |
315 |
4МЦ2С-80 |
3700 |
112М2 |
74 |
355 |
4МЦ2С-80 |
3500 |
112М2 |
74 |
400 |
4МЦ2С-80 |
3300 |
112М2 |
74 |
11,0 |
35,5 |
4МЦ2С-160 |
|
160S6 |
355 |
40 |
4МЦ2С-160 |
|
160S6 |
355 |
50 |
4МЦ2С-140 |
|
132М4 |
212 |
56 |
4МЦ2С-140 |
|
132M4 |
212 |
63 |
4МЦ2С-140 |
|
132M4 |
212 |
71 |
4МЦ2С-140 |
|
132M4 |
212 |
80 |
4МЦ2С-125 |
9100 |
132M4 |
166 |
90 |
4МЦ2С-125 |
8500 |
132M4 |
166 |
100 |
4МЦ2С-125 |
8100 |
132M4 |
166 |
112 |
4МЦ2С-125 |
7500 |
132M4 |
166 |
125 |
4МЦ2С-125 |
7100 |
132M4 |
166 |
140 |
4МЦ2С-125 |
6600 |
132M4 |
166 |
160 |
4МЦ2С-125 |
6400 |
132М2 |
160 |
180 |
4МЦ2С-125 |
5900 |
132М2 |
160 |
200 |
4МЦ2С-125 |
5600 |
132М2 |
160 |
225 |
4МЦ2С-125 |
5200 |
132М2 |
160 |
250 |
4МЦ2С-125 |
5050 |
132М2 |
160 |
280 |
4МЦ2С-125 |
4600 |
132М2 |
160 |
315 |
4МЦ2С-125 |
4400 |
132М2 |
160 |
355 |
4МЦ2С-125 |
4100 |
132М2 |
160 |
400 |
4МЦ2С-125 |
3900 |
132М2 |
160 |
15,0 |
50 |
4МЦ2С-160 |
|
160M6 |
355 |
56 |
4МЦ2С-160 |
|
160S4 |
330 |
63 |
4МЦ2С-160 |
|
160S4 |
330 |
71 |
4МЦ2С-140 |
|
160S4 |
252 |
80 |
4МЦ2С-140 |
|
160S4 |
252 |
90 |
4МЦ2С-140 |
|
160S4 |
252 |
15,0 |
100 |
4МЦ2С-140 |
|
160S4 |
252 |
112 |
4МЦ2С-125 |
8700 |
160S4 |
206 |
125 |
4МЦ2С-125 |
8300 |
160S4 |
206 |
140 |
4МЦ2С-125 |
7700 |
160S4 |
206 |
160 |
4МЦ2С-125 |
7400 |
160S2 |
197 |
180 |
4МЦ2С-125 |
6900 |
160S2 |
197 |
200 |
4МЦ2С-125 |
6500 |
160S2 |
197 |
225 |
4МЦ2С-125 |
6100 |
160S2 |
197 |
250 |
4МЦ2С-125 |
5900 |
160S2 |
197 |
280 |
4МЦ2С-125 |
5400 |
160S2 |
197 |
315 |
4МЦ2С-125 |
5200 |
160S2 |
197 |
355 |
4МЦ2С-125 |
4800 |
160S2 |
197 |
400 |
4МЦ2С-125 |
4700 |
160S2 |
197 |
18,5 |
63 |
4МЦ2С-160 |
|
160M4 |
352 |
71 |
4МЦ2С-160 |
|
160M4 |
352 |
80 |
4МЦ2С-160 |
|
160M4 |
352 |
90 |
4МЦ2С-140 |
|
160M4 |
274 |
100 |
4МЦ2С-140 |
|
160M4 |
274 |
112 |
4МЦ2С-140 |
|
160M4 |
274 |
125 |
4МЦ2С-140 |
|
160M4 |
274 |
140 |
4МЦ2С-125 |
8500 |
160М4 |
228 |
160 |
4МЦ2С-125 |
8200 |
160М4 |
228 |
180 |
4МЦ2С-125 |
7700 |
160М4 |
228 |
200 |
4МЦ2С-125 |
7200 |
160M2 |
207 |
225 |
4МЦ2С-125 |
6800 |
160M2 |
207 |
250 |
4МЦ2С-125 |
6500 |
160M2 |
207 |
280 |
4МЦ2С-125 |
6000 |
160M2 |
207 |
315 |
4МЦ2С-125 |
5700 |
160M2 |
207 |
355 |
4МЦ2С-125 |
5430 |
160M2 |
207 |
400 |
4МЦ2С-125 |
5100 |
160M2 |
20 |
ПРИМЕР УСЛОВНОГО ОБОЗНАЧЕНИЯ ПРИ ЗАКАЗЕ.
Мотор-редуктор 4МЦ2С-80-45-2,2-G310-ЦУЗ-2-380 ,где:
Мотор-редуктор типа 4МЦ2С с межосевым расстоянием 80 мм, частотой вращения выходного вала 45 об/мин, мощностью электродвигателя. 2,2 кВт, вариантом размещения в пространстве G310, цилиндрическим концом выходного вала Ц, климатического исполнения У, категории размещения 3, категории точности 2, номинального напряжения сети переменного тока 380 В
Приводная техника (мотор-редукторы, преобразователи частоты и устройства плавного пуска) отправляется покупателю транспортной компанией. По всем вопросам обращаться в офис.
Мы всегда рады видеть у себя наших старых партнеров и ждем новых.
Доставка во все регионы России!
|
 |
 |
|
|