Главная Каталог продукции Прайс-лист Полезная информация контакты
Редукторы цилиндрические
Редукторы червячные
Мотор-редукторы
Преобразователи частоты
Устройства плавного пуска
Аксессуары для ПЧ
Энкодеры
Карта сайта

 

Приводная техника

 

Вся продукция сертифицирована. Мы будем рады видеть Вас клиентом нашей компании.

 

 

Червячные редукторы NRV

Червячные редукторы NRV

Червячные редукторы NRV

 

Описание:

Червячные редукторы серии NRV – это лучшее предложение по соотношению цена-качество на Российском рынке. Червячный редуктор NRV отличается модернизированным универсальным корпусом позволяющим осуществить монтаж редуктора в любом положении. Сочетают в себе высокую надёжность и доступную цену. Простая и надежной конструкция обладает высокими эксплуатационными характеристиками и бесшумной работой. Благодаря унифицированным присоединительным размерам могут служить заменой вышедших из строя редукторов других фирм.

Характерные свойства червячных редукторов NRV:

  • 9 типоразмеров редукторов мощностью 0,06 - 15 кВт (30 - 40 - 50 - 63 - 75 - 90 - 110 - 130 - 150)
  • диапазон передаточных чисел 5 - 100;
  • максимальный выходной момент – 1400 Н·м, допустимая радиальная нагрузка - 16500 Н;
  • корпус червячных редукторов начиная с 030 типоразмера окрашен полиэпоксидной краской голубого (RAL 5010) цвета в соответствии со стандартами DIN 1843;
  • корпус мотор-редукторов до 090 типоразмера изготавливается из алюминиевого сплава;
  • корпус редукторов 110 – 150 типоразмеров изготавливается из серого чугуна марки G200, обработанного по FEM-технологии;
  • зубчатые колеса червячной передачи изготавливаются из бронзового сплава GCuSn12 (UNI7013-72);
  • профиль шлифовки червяка ZI (UNI4760);
  • запатентованная компактная конструкция корпуса.

ОБЩЕЕ ОПИСАНИЕ

Схема типового обозначения.

тип
типоразмер
передаточное число
исполнение
электродвигатель
монтажная позиция
двухсторонний входной вал
цилиндрический выходной вал
выходной фланец
реактивная штанга
NMRV
030 - 130
5 - 3200
E
SS - односторонний
FL
A
мощность и обороты электродвигателя
монтажные позиции
NRV
PCRV
DS - двухсторонний
DRV

 

Пример условного обозначения в заказе.

NRV - 63 - 7,5 - B3

  • NRV - редуктор;
  • 63 - типоразмер (межосевое расстояние червячной пары);
  • 7,5 - передаточное число;
  • B3 - горизонтальная монтажная позиция.

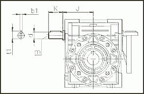
Исполнение.

Двухсторонний входной вал.


Двухсторонний входной вал.

J
d(j6)
К
m
b1
t1
30
45
9
20
-
3
10.2
40
53
11
23
-
4
12.5
50
64
14
30
М6
5
16
63
75
19
40
М6
6
21.5
75
90
24
50
М8
8
27
90
108
24
50
М8
8
27
110
135
28
60
М10
8
31
130
155
30
80
М10
8
33
150
175
35
80
М12
10
38

Двухсторонний выходной вал.

Двухсторонний выходной вал.


d(h6)
T
T1
L1
Z
Z1
m
b1
t1
30
14
30
32.5
63
102
128
M6
5
16
40
18
40
43
78
128
164
М6
6
20.5
50
25
50
53.5
92
153
199
М10
8
28
63
25
50
53.5
112
173
219
М10
8
28
75
28
60
63.5
120
192
247
М10
8
31
90
35
80
84.5
140
234
309
М12
10
38
110
42
80
84.5
155
249
324
М16
12
45
130
45
80
85
170
265
340
М16
14
48.5
150
50
82
87
200
295
374
M13
14
53,5

Реактивная штанга.

Реактивная штанга.

 


L
Н
К
D
R
В
30
85
14
24
8
15
4
40
100
14
31.5
10
18
4
50
100
14
36.5
10
18
4
63
150
14
49
10
18
6
75
200
25
47.5
20
30
6
90
200
25
57.5
20
30
6
110
250
30
62
25
35
6
130
250
30
69
25
35
6
150
250
30
84
25
35
6

 

Параметры зацепления червячной пары.

типо-размер
i
5
7.5
10
15
20
25
30
40
50
60
80
100
030
m
1.5
1.5
1.5
1.5
1
1.75
1.5
1
0.9
0.75
0.55
/
z1
6
4
3
2
2
1
1
1
1
1
1
/
y
29°3'
20°19'
15°31'
10°29"
5°42'
6°10'
5°17'
2°52'
3°26'
2°52'
1°58'
/
nd
0.874
0.856
0.829
0.782
0.673
0.700
0.667
0.520
0.567
0.520
0.422
/
ns
0.723
0.675
0.637
0.559
0.461
0.442
0.400
0.308
0.319
0.275
0.221
/
040
m
2
2
2
2
1.6
1.25
2
1.6
1.25
1
0.8
0.65
z1
6
4
3
2
2
2
1
1
1
1
1
1
y
30°58'
21°48'
16°42'
11°19'
11°19'
8°8'
5°43'
5°43'
4°5'
2°52'
2°52"
2°29'
nd
0.886
0.862
0.839
0.805
0.792
0.738
0.675
0.668
0.604
0.541
0.513
0.477
ns
0.737
0.703
0.661
0.589
0.559
0.502
0.434
0.411
0.351
0.284
0.276
0.243
050
m
2.5
2.5
2.5
2.5
2
1.6
2.5
2
1.6
1.25
1
0.8
z1
6
4
3
2
2
2
1
1
1
1
1
1
y
30°58'
21°48'
16°42'
11°19'
11°19'
9°5"
5°43'
5°43'
4°21'
2°52'
2°52'
2°17'
nd
0.887
0.874
0.852
0.808
0.805
0.771
0.711
0.693
0.634
0.532
0.530
0.483
ns
0.737
0.695
0.654
0.581
0.561
0.517
0.434
0.403
0.352
0.289
0.270
0.227
063
m
/
3.25
3.25
3.25
2.5
2
3.25
2.5
2
1.6
1.25
1
z1
/
4
3
2
2
2
1
1
1
1
1
1
y
/
24°31'
18°53'
12°51'
11°19'
8°45'
6°30'
5°43'
4°24'
3°3'
2°52'
2°12'
nd
/
0.880
0.870
0.830
0.820
0.780
0.740
0.716
0.660
0.571
0.562
0.486
ns
/
0.710
0.670
0.600
0.557
0.510
0.450
0.409
0.360
0.304
0.276
0.229
075
m
/
4
4
4
3
2.5
4
3
2.5
2
1.6
1.25
z1
/
4
3
2
2
2
1
1
1
1
1
1
y
/
28°4'
21°48'
14°56'
11°19'
11°19'
7°36'
5°43'
5°43'
3°49'
4°21'
2°52'
nd
/
0.912
0.904
0.876
0.850
0.848
0.810
0.770
0.769
0.695
0.719
0.626
ns
/
0.712
0.683
0.614
0.570
0.542
0.466
0.420
0.395
0.342
0.316
0.267
090
m
/
5
5
5
3.75
3
5
3.75
3
2.5
1.9
1.5
z1
/
4
3
2
2
2
1
1
1
1
1
1
y
/
33°41'
26°34'
18°26'
14°02'
11°19'
9°28'
7°08'
5°43'
4°46'
3°53'
2°52'
nd
/
0.905
0.898
0.873
0.849
0.824
0.804
0.765
0.727
0.690
0.638
0.572
ns
/
0.734
0.706
0.650
0.606
0.563
0.505
0.459
0.414
0.380
0.342
0.271
110
m
/
5.9
5.9
5.9
4.6
3.75
5.9
4.6
3.75
3.15
2.4
1.9
z1
/
4
3
2
2
2
1
1
1
1
1
1
y
/
28°46'
22°22'
15°21'
14°20'
14°02'
7°49'
7°17'
7°08'
5°48'
4°54'
3°37'
nd
/
0.901
0.891
0.862
0.848
0.851
0.793
0.776
0.768
0.729
0.692
0.628
ns
/
0.721
0.691
0.631
0.618
0.598
0.482
0.478
0.451
0.415
0.372
0.319
130
m
/
7
7
7
5.4
4.4
7
5.4
4.4
3.75
2.75
2.25
z1
/
4
3
2
2
2
1
1
1
1
1
1
y
/
29°15'
22°47'
15°39'
13°47'
12°24'
7°58'
7°00'
6°17'
6°7'
3°56'
3°41'
nd
/
0.911
0.891
0.872
0.860
0.845
0.803
0.779
0.758
0.749
0.671
0.657
ns
/
0.721
0.691
0.631
0.610
0.583
0.492
0.460
0.435
0.406
0.335
0.308

 

Допускаемая радиальная консольная нагрузка на выходном валу.

NRV

 

i
n2
030
040
050
063
075
090
110
130
5
280
599
1149
1586
2062
2428
2687
3389
4433
7.5
186
691
1325
1829
2378
2799
3098
3908
5112
10
140
758
1454
2007
2609
3072
3400
4288
5610
15
94
868
1665
2298
2988
3518
3893
4910
6424
20
70
954
1829
2525
3283
3665
4277
5395
7057
25
56
1033
1981
2735
3556
4187
4633
5844
7645
30
47
1086
2087
2881
3745
4410
4880
6155
8052
40
35
1204
2309
3188
4145
4880
5401
6812
8912
50
28
1296
2485
3431
4461
5252
5812
7331
9590
60
24
1381
2649
3658
4756
5599
6196
7815
10224
80
18
1516
2907
4014
5218
6144
6799
8576
11219
100
14
1638
3142
4338
5639
6639
7348
9268
12124

 

 

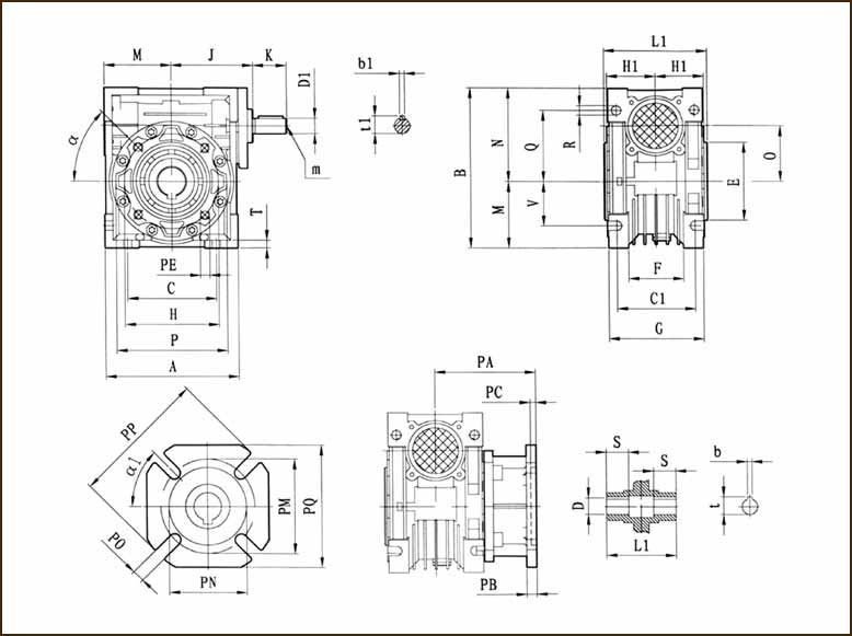
Габаритные и присоединительные размеры.

Габаритные и присоединительные размеры.

 

NRV
A
В
С
C1
D(H7)
D1(j6)
E(h8)
F
G
H
H1
J
К
L1
M
N
0
P
Q
R
30
80
97
54
44
14
9
55
32
56
65
29
51
20
63
40
57
30
75
44
6.5
40
100
121.5
70
60
18(19)
11
60
43
71
75
36.5
60
23
78
50
71.5
40
87
55
6.5
50
120
144
80
70
25(24)
14
70
49
85
85
43.5
74
30
92
60
84
50
100
64
8.5
63
144
174
100
85
25(28)
19
80
67
103
95
53
90
40
112
72
102
63
110
80
8.5
75
172
205
120
90
28(35)
24
95
72
112
115
57
105
50
120
86
119
75
140
93
11
90
206
238
140
100
35(38)
24
110
74
130
130
67
125
50
140
103
135
90
160
102
13
110
252.5
295
170
115
42
28
130
-
144
165
74
142
60
155
127.5
167.5
110
200
125
14
130
292.5
335
200
120
45
30
180
-
155
215
81
162
80
170
147.5
187.5
130
250
140
16
150
340
400
240
145
50
35
180
-
185
215
96
195
80
200
170
230
150
250
180
18

 

NRV
S
T
V
PA
PB
PC
PE
PM
PN(HB)
PO
PP
PQ
b
b1
t
t1
m
a
a1
kg
30
21
5.5
27
54.5
6
4
M6x11(n=4)
68
50
6.5(n=4)
80
70
5
3
16.3
10.2
-
45"
1.2
40
26
6.5
35
67
7
4
M6x8(n=4)
75
60
9(n=4)
110
95
6
4
20.8(21.8)
12.5
-
45°
45°
2.3
50
30
7
40
90
9
5
M8x10(n=4)
85
70
11(n=4)
125
110
8
5
28.3(27.3)
16.0
M6
45°
45°
3.5
63
36
8
50
82
10
6
M8x14(n=8)
150
115
11(n=4)
180
142
8
6
28.3(31.3)
21.5
M6
45°
45°
6.2
75
40
10
60
111
13
6
M8x14(n=8)
165
130
14(n=4)
200
170
8
8
31.3(38.3)
27.0
M8
45°
45"
9
90
45
11
70
111
13
6
M10x18(n=8)
175
152
14(n=4)
210
200
10
8
38.3(41.3)
27.0
M8
45°
45"
13
110
50
14
85
131
15
6
M10x18(n=8)
230
170
14(n=8)
280
260
12
8
45.3
31.0
M10
45°
45°
42.5
130
60
15
100
140
15
6
M12x21(n=8)
255
180
16(n=8)
320
290
14
8
48.8
33.0
M10
45°
22.5°
59
150
72.5
18
120
155
15
6
M12x21(n=8)
255
180
16(n=6)
320
290
14
10
53.8
38
M12
45°
22.5
87

 

 

 

Объём заливаемого масла (л)

RV
030
040
050
063
075
090
110
130
150
B3
0.042
0.081
0.153
0.3
0.58
1.02
3.02
4.55
7
B8
2.25
3.35
5.1
B6,B7
2.55
3.55
5.4
V5,V6
3.02
4.55
7

 

 

Приводная техника (мотор-редукторы, преобразователи частоты и устройства плавного пуска) отправляется покупателю транспортной компанией. По всем вопросам обращаться в офис.


Мы всегда рады видеть у себя наших старых партнеров и ждем новых.

Доставка во все регионы России!